
在藥品生產與質量檢測領域,數據完整性與可追溯性是貫穿全流程的核心要求,更是企業符合監管標準、保障藥品安全的關鍵前提。梓夢科技自主研發的顯微計數法不溶性微粒儀,憑借精準的檢測性能與完善的軟件管控體系,不僅滿足2025版《中國藥典》不溶性微粒檢測標準,更全面契合《藥品記錄與數據管理要求(試行)》(國家藥監局2020年發布)及FDA 21CFR第11部分法規要求,為藥品檢測數據合規提供雙重保障。
一、符合《藥品記錄與數據管理要求(試行)》的核心體現
《藥品記錄與數據管理要求(試行)》明確了藥品全生命周期中記錄與數據的真實性、準確性、完整性和可追溯性要求,尤其對電子記錄的系統配置、功能管控、權限管理等作出了細致規定。通過技術設計與軟件功能優化,實現全方位合規覆蓋。
(一)電子記錄完整性與真實性保障
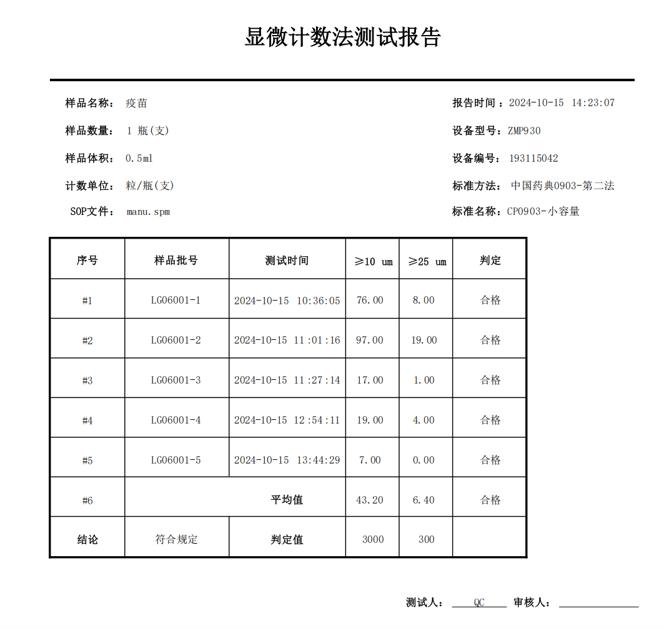
法規要求電子記錄需實現原有紙質記錄同等功能,確保數據采集、處理、存儲全流程可追溯。顯微計數法不溶性微粒儀采用全自動掃描檢測模式,搭載900萬/2000萬像素高清數字攝像頭,可精準捕捉1-3000μm范圍內的不溶性微粒,自動完成顆粒計數、顆粒分布等分析項目,數據采集全程無人工干預,從源頭避免手動轉錄、暫寫帶來的誤差與篡改風險,符合“原始數據應當直接記載于規定記錄上”的要求。
顯微計數法不溶性微粒儀生成的檢測數據可直接按2025版《中國藥典》CP0903標準出具報告,包含微粒數量、粒徑參數、檢測時間、儀器狀態等全要素信息,支持數據實時顯示、打印與存儲,確保電子記錄的完整性與可讀性,滿足法規對電子記錄“能夠顯示所有數據、生成可閱讀打印文件”的功能要求。
(二)精細化權限與操作追溯管控
針對電子記錄的權限管理,法規強調需建立分級權限體系,確保操作可追溯。顯微計數法不溶性微粒儀軟件內置用戶分級與權限設置功能,可明確區分操作人員、審核人員、系統管理人員等不同崗位權限,業務流程負責人權限與職責嚴格匹配,有效避免越權操作。同時,系統自動記錄所有操作行為,包括用戶登錄/退出、檢測參數設置、數據修改、報告生成等,形成完整的操作日志,清晰標注操作者、操作時間與操作內容,實現操作全程可追溯。
(三)數據安全與備份合規
法規要求電子記錄系統需具備穩定的存儲與備份機制,確保數據在規定保存期限內可查閱追溯。顯微計數法不溶性微粒儀支持數據定期自動備份與手動備份雙重模式,備份與恢復流程經過驗證,備份記錄可全程追溯;系統變更或升級時,可保障原系統數據長期留存與查閱,滿足“數據保存期限符合相關規定”的要求。
二、契合FDA 21CFR第11部分的合規設計
FDA 21CFR第11部分作為全球藥品電子記錄與電子簽名的核心監管標準,旨在確保電子記錄與電子簽名的可靠性、真實性與法律效力,與紙質記錄和手寫簽名具備同等地位。顯微計數法不溶性微粒儀從系統管控、數據完整性、審計追蹤等維度,全面滿足其合規要求。
(一)電子記錄等效性與不可篡改性
FDA 21CFR第11部分要求電子記錄需具備與紙質記錄同等的可信度與法律效力,核心在于數據不可篡改與全程可控。顯微計數法不溶性微粒儀的檢測數據生成后自動加密存儲,無法通過非授權操作修改;軟件的審計追蹤功能可完整記錄數據從生成、修改到刪除的行動軌跡,包括隱蔽性操作,確保每一項數據變更都有據可查,杜絕數據偽造與篡改風險,符合法規對電子記錄“安全存儲、防止篡改”的核心要求。
(二)嚴格的身份驗證與權限管控
法規強調電子記錄的操作需建立唯一身份識別與權限分配機制,確保操作責任可追溯。顯微計數法不溶性微粒儀通過用戶賬號與密碼實現唯一身份驗證,登錄信息與操作行為精準關聯,形成“一人一號、操作留痕”的管控體系;系統嚴格區分操作權限與系統管理權限,業務人員無法獲取系統管理員權限,避免因權限混淆導致的系統配置變更與數據風險,滿足FDA對電子記錄操作權限的分級管控要求。
(三)合規性報告與監管適配
FDA 21CFR第11部分要求電子記錄需支持監管核查,系統及相關文檔需便于FDA檢查。顯微計數法不溶性微粒儀可生成符合國際標準的中英文檢測報告,報告內容涵蓋檢測方法、儀器參數、數據結果、操作人、審核人等全要素信息,直接適配出口藥品檢測數據提交需求。


藥品檢測數據的合規性直接關系到藥品質量安全與企業市場準入。梓夢科技顯微計數法不溶性微粒儀,通過對《藥品記錄與數據管理要求(試行)》及FDA 21CFR第11部分法規要求的深度適配,構建了從數據采集、處理、存儲到追溯的全流程合規體系。同時,依托精準的檢測性能與高效的自動化操作,為藥品生產企業、檢測機構提供“合規+高效+精準”的一體化不溶性微粒檢測解決方案,助力企業筑牢藥品質量安全防線。